Guess what?

When I bought my TSL, the 1960A was part of the deal.

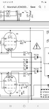
The cabinet is still what I use, though this head has given me a lot of trouble in the past. I am confident that after I get this all done it should be a pretty solid amp though. If not, I'm throwing the fucker in the lake

What's all the negatives about a TSL???
 
Back
Top