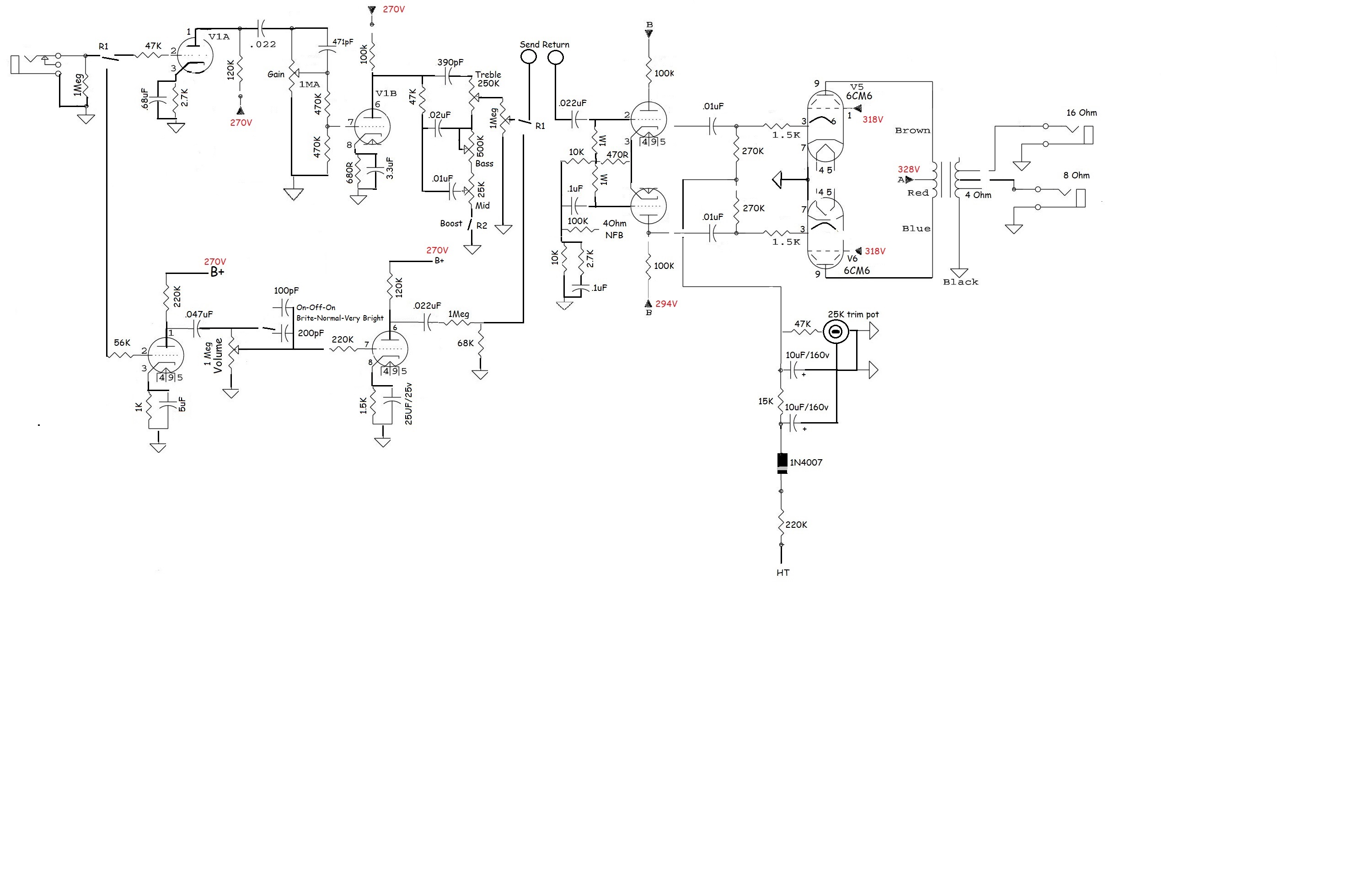
Dos Hombres, a 14 Watt 2 channel 6CM6 combo amp build

For those not too familiar with a Friedman HBE, that amp has a very nice clean for such an aggressive amp. The BE "low" is a triode with 330K plate, voiced the same as a Plexi bright, >>>goes through a Volume pot, only, then straight to the PI. In HBE 'high" another exact stage is cascaded in front of the low stage, >>> through a voltage divider to the low input.

This is an idea robbed from Fender, minus a Tone pot, and the values of the triodes are jacked up.

Since I'm using a single (switchable between channels) input jack, I used Fender brownface triode values, with the two stages always cascaded together, again with only a Volume pot between on the way to the PI.
 
That 6G3 head that I built, without Tremolo, and cathode bias was a really, really nice clean. I ended up giving it to David Hopkins, as he instantly bonded with it. He was like a child with a new puppy, there was no way I could keep it.
Oh that is awesome.

:rolf:
 
And after 2 months or so off, I decided to switch design thoughts. I still have the prototype, so I decided to swap preamps on this build away from the prototype. As luck would have it the turretboard was two rows not wide enough for my new plans, so I ripped it out and started over.
https%3A//i.imgur.com/lOIKc7L.jpg[/img]']https%3A//i.imgur.com/lOIKc7L.jpg[/img]']https%3A//i.imgur.com/lOIKc7L.jpg[/img]']https%3A//i.imgur.com/lOIKc7L.jpg[/img]']https%3A//i.imgur.com/lOIKc7L.jpg[/img]']https%3A//i.imgur.com/ychwJm1.jpg[/img]']
https%3A//i.imgur.com/TCFrhOW.jpg[/img]']https%3A//i.imgur.com/Tne8sxc.jpg[/img]

o_Oo_Oo_Oo_Oo_Oo_Oo_O
Stand back, he's using science !

1619889466520.png
 
Last edited:
Awesomeness Maximus... :cool:

Those modern ERO caps: You must like them if you're using them, right? A few months ago I bought enough of them to try in one of my 2204 circuits which are currently occupied with older Sozos.
 
Back
Top